

新闻资讯
/行业新闻
阻容降压无需变压器从而将ac转换为dc,缺点是有负载电流的限制,安全问题等。适合较小负载电流的设备,如小家电面板控制、led等。
电阻降压是一种简单的电路,它在主回路上串联了一个电阻以降低电压。这种方法既可以降交流,也可以降直流,可以在整流前或整流后使用。电阻两端的电压降为v = ir,由于纯电阻负载使电压下降,降压电阻消耗的有功功率将为vdrop x i 或 i *i* r。
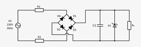
ac-dc电源电阻降压电路拓扑如上所示,其中电阻r1是降低大部分输入电源电压的关键元件。现在要做的是计算r1的值以降低电压,从而在特定电流值下获得所需的负载两端电压。该电路首先通过r1分压,之后通过桥式整流器将交流电转换为直流电,然后是电容滤波和齐纳稳压二极管进行稳压输出。
电阻降压电路计算输入电压:230v、50hz交流电,输出电压:12vdc、50ma输出。先要找到需要降低的电压,即电源电压与包括负载在内的组件上的所有电压降之和之间的差值。
器件选型:
r2=100ω(r2有保险丝的作用,也可以降低输入浪涌电压对后端电路的冲击)
d1、d2、d3、d4=1n4007(整流作用)
c1=470μf(滤波作用)
d5=12v,1w(稳压二极管实现12v稳压输出)
负载电压是12v,如果负载电流按50ma,那么r2电阻两端的电压是0.05 x 100 = 5v。
桥式整流器的两个正向偏置二极管的压降1v(每个二极管0.7至1.2v),1 x 2 = 2v。
r1下降的净电压等于230-12-5-2 = 211v,输入电压是ac电压,也就是rms电压,等于整流后的rms dc电压。
通过以上可知,r1电阻器需要在通过50ma的电流下降低211v电压。所以r = v/i = 211/50ma= 4220ω。
可以先选择一个接近计算值的标准值3.9k电阻,因为电阻值低于计算值,会有余量电流。如果选择的电阻高于计算值,则实际电流将低于所需值。因为r1的变化会改变电流,现在需要重新计算使用3.9k和100ω电阻降低的电压。
r1和r2两端的电压230-12-2=216v。使用3.9k和100ω电阻下降216v的电流值等于216 / (3900100) = 54ma。驱动50ma负载,其余4ma将被连接在负载两端的12v齐纳二极管消耗。输入电源为230v,负载电路消耗的电流为54ma,则输入功率等于230x54ma=12.42w。将电路视为纯电阻,输出负载功率等于12x50ma=0.6w,输入和输出之间的功率差为12.42-0.6=11.82w。
电路浪费了11.82瓦的功率,齐纳二极管和整流二极管的功率损耗要低很多,因此,使用电阻降压并不是一种有效的方法,因为它具有大量的热量损失。
ac-dc电源阻容降压电路由降压-整流-稳压-滤波组成,在电路设计时,应先确定负载最大工作电流,通过此电流值计算电容容值大小,从而选取电容。与线性变压器电源的区别是阻容降压电源是通过负载电流选定电容,而线性变压器电源是通过负载电压和功率选定变压器。